+86-574-86597612
| Névleges Furat átmérője | Eltérés dmp | Vdp változat Sorozat | Variáció Vdmp | Kúpos furat 1:12 Eltérés/ Variáció | |||||
| > | <= | △dmp | 7.8.9 | 0.1 | 2.3.4 | Vdmp | △dmp | △d1mp-dmp | Vdp |
| 2,5 10 | 0 -8 | 10 | 8 | 6 | 6 | 15 0 | 15 0 | 10 | |
| 10 18 | 0 -8 | 10 | 8 | 6 | 6 | 18 0 | 18 0 | 10 | |
| 18 30 | 0-10 | 13 | 10 | 8 | 8 | 21 0 | 21 0 | 13 | |
| 30 50 | 0 -12 | 15 | 12 | 9 | 9 | 25 0 | 25 0 | 15 | |
| 50 80 | 0-15 | 19 | 19 | 11 | 11 | 30 0 | 30 0 | 19 | |
| 80 120 | 0-20 | 25 | 25 | 15 | 15 | 35 0 | 35 0 | 25 | |
| 120 180 | 0-25 | 31 | 31 | 19 | 19 | 40 0 | 40 0 | 31 | |
| 180 250 | 0-30 | 38 | 38 | 23 | 23 | 46 0 | 46 0 | 38 | |
| 250 315 | 0 -35 | 44 | 44 | 26 | 26 | 52 0 | 52 0 | 44 | |
| 315 400 | 0-40 | 50 | 50 | 30 | 30 | 57 0 | 57 0 | 50 | |
| 400 500 | 0 -45 | 56 | 56 | 34 | 34 | 63 0 | 63 0 | 56 | |
| 500 630 | 0-50 | 63 | 63 | 38 | 38 | 70 0 | 70 0 | ||
| 630 800 | 0 -75 | 80 0 | 80 0 | ||||||
| 800 1000 | 0-100 | 90 0 | 90 0 | ||||||
| 1000 1250 | 0 -125 | 105 0 | 105 0 | ||||||
| 1250 1600 | 0-160 | ||||||||
| 1600 2000 | 0-200 | ||||||||
| Névleges Külső átmérő | Eltérés | Vdp változat Sorozat | Tömített csapágy | Variáció | Sugárirányú kifut | |||
| > | <= | △Dmp | 7.8.9 | 0.1 | 2.3.4 | 2 3 4 | VDmp | Kea |
| 6 18 | 0 -8 | 10 | 8 | 6 | 10 | 6 | 15 | |
| 18 30 | 0 -9 | 12 | 9 | 7 | 12 | 7 | 15 | |
| 30 50 | 0 -11 | 14 | 11 | 8 | 16 | 8 | 20 | |
| 50 80 | 0 -13 | 16 | 13 | 10 | 20 | 10 | 25 | |
| 80 120 | 0-15 | 19 | 19 | 11 | 26 | 11 | 35 | |
| 120 150 | 0-18 | 23 | 23 | 14 | 30 | 14 | 40 | |
| 150 180 | 0-25 | 31 | 31 | 19 | 38 | 19 | 45 | |
| 180 250 | 0–30 | 38 | 38 | 23 | 23 | 50 | ||
| 250 315 | 0-35 | 44 | 44 | 26 | 26 | 60 | ||
| 315 400 | 0-40 | 50 | 50 | 30 | 30 | 70 | ||
| 400 500 | 0-45 | 56 | 56 | 34 | 34 | 80 | ||
| 500 630 | 0-50 | 63 | 63 | 38 | 38 | 100 | ||
| 630 800 | 0 -75 | 94 | 94 | 55 | 55 | 120 | ||
| 800 1000 | 0-100 | 125 | 125 | 75 | 75 | 140 | ||
| 1000 1250 | 0 -125 | 160 | ||||||
| 1250 1600 | 0-160 | 190 | ||||||
| 1600 2000 | 0-200 | 220 | ||||||
| 2000 2500 | 0 -250 | 250 | ||||||
| Furat átmérő (mm) | |||||||
| > | <= | C1 (um) | C2 (um) | CN (um) | C3 (um) | C4 (um) | C5 (um) |
| -- 24 | 5 15 | 0 25 | 20 45 | 35 60 | 50 75 | 75 100 | |
| 24 30 | 5 15 | 0 25 | 20 45 | 35 60 | 50 75 | 75 100 | |
| 30 40 | 5 15 | 5 30 | 25 50 | 45 70 | 60 85 | 85 110 | |
| 40 50 | 5 18 | 5 35 | 30 60 | 50 80 | 70 100 | 100 130 | |
| 50 65 | 5 20 | 10 40 | 40 70 | 60 90 | 80 100 | 110 140 | |
| 65 80 | 10 25 | 10 45 | 40 75 | 65 100 | 90 125 | 125 160 | |
| 80 100 | 10 30 | 15 50 | 50 85 | 75 110 | 105 140 | 140 175 | |
| 100 120 | 10 30 | 15 55 | 50 90 | 85 125 | 125 165 | 165 205 | |
| 120 140 | 10 35 | 15 60 | 60 105 | 100 145 | 145 190 | 190 235 | |
| 140 160 | 10 35 | 20 70 | 70 120 | 115 165 | 165 215 | 215 265 | |
| 160 180 | 10 40 | 25 75 | 75 125 | 120 170 | 170 220 | 220 270 | |
| 180 200 | 15 45 | 35 90 | 90 145 | 140 195 | 195 250 | 250 305 | |
| 200 225 | 15 50 | 45 105 | 105 165 | 160 220 | 220 280 | 280 340 | |
| 225 250 | 15 50 | 45 110 | 110 175 | 170 235 | 235 300 | 300 365 | |
| 250 280 | 20 55 | 55 125 | 125 195 | 190 260 | 260 330 | 330 400 | |
| 280 315 | 20 60 | 55 130 | 130 205 | 200 275 | 275 350 | 350 425 | |
| 315 355 | 20 65 | 65 145 | 145 225 | 225 305 | 305 385 | 385 465 | |
| 355 400 | 25 75 | 100 190 | 190 280 | 280 270 | 570 460 | 460 550 | |
| 400 450 | 25 85 | 110 210 | 210 310 | 310 410 | 410 510 | 510 610 | |
| 450 500 | 25 95 | 110 220 | 220 330 | 330 440 | 440 550 | 550 660 | |
| 500 560 | 25 100 | 120 240 | 240 360 | 360 480 | 480 600 | 600 720 | |
| 560 630 | 30 110 | 140 260 | 260 380 | 380 500 | 500 620 | 620 740 | |
| 630 710 | 30 130 | 145 285 | 285 425 | 425 565 | 565 705 | 705 845 | |
| 710 800 | 35 140 | 150 310 | 610 470 | 470 630 | 630 790 | 790 950 | |
| 800 900 | 35 160 | 180 350 | 350 520 | 520 690 | 690 860 | 860 1030 | |
| 900 1000 | 35 170 | 200 390 | 390 580 | 580 770 | 770 960 | 960 1150 | |
| 1000 1120 | 50 200 | 220 430 | 430 640 | 640 850 | 850 1060 | 1060 1270 | |
| 1120 1250 | 50 200 | 230 470 | 470 710 | 710 950 | 950 1190 | 1060 1270 | |
| 1250 1400 | 50 200 | 270 530 | 530 790 | 790 1050 | 1050 1310 | 1060 1270 | |
| 1400 1600 | 50 200 | 330 610 | 610 890 | 890 1170 | 1170 1450 | 1060 1270 | |
| 1600 1800 | 50 200 | 380 700 | 700 1020 | 1020 1340 | 1340 1660 | 1060 1270 | |
| 1800 2000 | 50 200 | 400 760 | 760 1120 | 1120 1480 | 1480 1840 | 1060 1270 | |
| Furat átmérő (mm) | |||||||
| > | <= | C1 (um) | C2 (um) | CN (um) | C3 (um) | C4 (um) | C5 (um) |
| -- 24 | 10 20 | 15 40 | 30 55 | 40 65 | 50 75 | 75 100 | |
| 24 30 | 15 25 | 20 45 | 35 60 | 45 70 | 55 80 | 80 105 | |
| 30 40 | 15 25 | 20 45 | 40 65 | 55 80 | 70 95 | 95 120 | |
| 40 50 | 17 30 | 25 55 | 45 75 | 60 90 | 75 105 | 105 135 | |
| 50 65 | 20 35 | 30 60 | 50 80 | 70 100 | 90 120 | 120 150 | |
| 65 80 | 25 40 | 35 70 | 60 95 | 85 120 | 110 145 | 145 180 | |
| 80 100 | 35 55 | 40 75 | 70 105 | 95 130 | 120 155 | 155 190 | |
| 100 120 | 40 60 | 50 90 | 90 130 | 115 155 | 140 180 | 180 220 | |
| 120 140 | 45 70 | 55 100 | 100 145 | 130 175 | 160 205 | 205 250 | |
| 140 160 | 50 75 | 60 110 | 110 160 | 145 195 | 180 230 | 230 280 | |
| 160 180 | 55 85 | 75 125 | 126 175 | 160 210 | 195 245 | 245 295 | |
| 180 200 | 60 90 | 85 140 | 140 195 | 180 235 | 220 275 | 275 330 | |
| 200 225 | 60 95 | 95 155 | 155 215 | 200 260 | 245 305 | 305 365 | |
| 225 250 | 65 100 | 105 170 | 170 235 | 220 285 | 270 335 | 335 400 | |
| 250 280 | 75 110 | 115 185 | 185 255 | 240 310 | 295 365 | 365 435 | |
| 280 315 | 80 120 | 130 205 | 205 280 | 265 340 | 325 400 | 400 475 | |
| 315 355 | 90 135 | 145 250 | 225 304 | 290 370 | 355 435 | 435 515 | |
| 355 400 | 100 150 | 165 255 | 225 345 | 330 420 | 405 495 | 495 585 | |
| 400 450 | 110 170 | 185 285 | 285 385 | 370 470 | 455 555 | 555 655 | |
| 450 500 | 120 190 | 205 315 | 315 425 | 410 520 | 505 615 | 615 725 | |
| 500 560 | 130 210 | 230 350 | 350 470 | 455 575 | 560 680 | 680 800 | |
| 560 630 | 140 230 | 260 380 | 380 500 | 500 620 | 620 740 | 740 860 | |
| 630 710 | 160 260 | 295 435 | 435 575 | 565 705 | 685 835 | 935 975 | |
| 710 800 | 170 290 | 325 485 | 485 645 | 630 790 | 775 935 | 935 1095 | |
| 800 900 | 190 330 | 370 540 | 540 710 | 700 870 | 860 1030 | 1030 1200 | |
| 900 1000 | 210 360 | 410 600 | 600 790 | 780 970 | 960 1150 | 1150 1340 | |
| 1000 1120 | 230 400 | 455 665 | 665 875 | 865 1075 | 1065 1275 | 1275 1485 | |
| 1120 1250 | 230 400 | 490 730 | 730 970 | 960 1200 | 1200 1440 | 1275 1485 | |
| 1250 1400 | 230 400 | 550 810 | 810 1070 | 1070 1330 | 1330 1590 | 1275 1485 | |
| 1400 1600 | 230 400 | 640 920 | 920 1200 | 1200 1480 | 1480 1760 | 1275 1485 | |
| 1600 1800 | 230 400 | 700 1020 | 1020 1340 | 1340 1660 | 1660 1980 | 1275 1485 | |
| 1800 2000 | 230 400 | 760 1120 | 1120 1480 | 1480 1840 | 1840 2200 | 1275 1485 | |
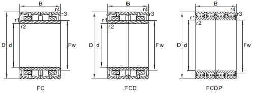
| Modell | Méretek | Névleges teher | Súly | Referencia modellek | |||||||||||
kijelölés | d | D | B | Fw | r1,2 perc | r3,4 perc | Tervezés | Dinamikus terhelés | Statikus terhelés | Ref. | SKF | BUZI | NTN | NSK | KOYO |
FC110160560 | 550 | 800 | 560 | 610 | 6 | 6 | 4 | 12100 | 28000 | 930 | BC4B322719/HA4 | 517688 | |||
FC112136360 | 560 | 680 | 360 | 590 | 6 | 6 | 1 | 4650 | 16500 | 265 | 4R11202 | ||||
FC1828105 | 90 | 140 | 1405 | 105 | 1.5 | 1.5 | 2 | 402 | 739 | 6 | |||||
FC182870 | 90 | 140 | 70 | 105 | 1.5 | 1.5 | 2 | 242 | 425 | 3.78 | |||||
FC182874 | 90 | 140 | 74 | 105 | 1.5 | 1.5 | 2 | 247 | 485 | 4.2 | |||||
FC202780 | 100 | 135 | 80 | 110 | 1.5 | 1.5 | 2 | 236 | 520 | 3 | |||||
FC2028104 | 100 | 140 | 104 | 111 | 1.5 | 1.5 | 2 | 400 | 820 | 5.3 | 100RV1401 | ||||
FC202870 | 100 | 140 | 70 | 111 | 1.5 | 1.5 | 2 | 238 | 484 | 3.3 | |||||
FC202880 | 100 | 140 | 80 | 111 | 1.5 | 1.5 | 2 | 298 | 610 | 3.8 | |||||
FC202970 | 100 | 145 | 70 | 113 | 1.5 | 1.5 | 2 | 253 | 546 | 3.8 | 20FC1570 | ||||
FC2030106 | 100 | 150 | 106 | 113 | 1.5 | 1.1 | 2 | 480 | 857 | 6.6 | |||||
FC203074 | 100 | 150 | 74 | 115 | 2 | 2 | 1 | 560 | 530 | 4.7 | 4R2035 | ||||
FC2234120 | 110 | 170 | 120 | 127 | 2 | 2 | 1 | 615 | 1100 | 10 | 110RV1701 | ||||
FC223490 | 110 | 170 | 90 | 127 | 2 | 2 | 2 | 376 | 760 | 7.5 | 22FC1790 | ||||
FC223492 | 110 | 170 | 92 | 127 | 2 | 2 | 2 | 380 | 762 | 7.7 | |||||
FC233390 | 115 | 165 | 90 | 132 | 1.1 | 1.1 | 3 | 398 | 750 | 6.5 | 23FC1690 | ||||
FC243387 | 120 | 165 | 87 | 134.5 | 2 | 2 | 1 | 365 | 725 | 6 | 120RV1601 | 24FC1787 | |||
FC243390 | 120 | 165 | 90 | 132 | 2 | 2 | 1 | 510 | 780 | 5.6 | 537675 | ||||
FC2436105 | 120 | 180 | 105 | 136 | 2 | 2 | 1 | 530 | 880 | 9.4 | 4R2438 | 120RV1801 | 4CR120 | ||
FC2436120 | 120 | 180 | 120 | 136 | 2 | 2 | 2 | 678 | 1080 | 11.2 | |||||
FC243692 | 120 | 180 | 92 | 137 | 2 | 2 | 2 | 425 | 797 | 8.01 | 4R2437 | ||||
FC2443102 | 120 | 215 | 102 | 148 | 2.1 | 2.1 | 2 | 710 | 1200 | 16 | |||||
FC2443174 | 120 | 215 | 174 | 147 | 2.1 | 2.1 | 1 | 1060 | 1600 | 27.2 | 120RV2101 | ||||
FC2640104 | 130 | 200 | 104 | 149 | 2 | 2 | 1 | 570 | 950 | 12 | 4R2628 | 130RV2003 | 26FC20104 | ||
FC2640110 | 130 | 200 | 110 | 150 | 2 | 2 | 1 | 608 | 1040 | 12.7 | 26FC20110 | ||||
FC2640125 | 130 | 200 | 125 | 149 | 2 | 2 | 1 | 700 | 1190 | 14.5 | 130RV2001 | 26FC20125 | |||
FC2838119 | 140 | 190 | 119 | 154 | 2 | 2 | 2 | 574 | 896 | 9.7 | 28FC19119W | ||||
FC2842100 | 140 | 210 | 100 | 158 | 2 | 2 | 2 | 605 | 985 | 12.2 | |||||
FC2842106 | 140 | 210 | 106 | 158 | 2 | 2 | 2 | 615 | 1048 | 13 | |||||
FC2842116 | 140 | 210 | 116 | 160 | 2 | 2 | 1 | 640 | 1130 | 13.9 | 4R2823 | 14RV2101 | 28FC21116A | ||
FC2842125 | 140 | 210 | 125 | 158 | 2 | 2 | 2 | 715 | 1265 | 14.9 | |||||
FC2842155 | 140 | 210 | 155 | 158 | 2 | 2 | 2 | 745 | 1330 | 18 | |||||
FC2942155 | 145 | 210 | 155 | 166 | 2 | 2 | 3 | 735 | 1560 | 18 | 314625 | 511605 | 4R2906 | 145RV2101 | 29FC21155 |
FC2945156 | 145 | 225 | 156 | 169 | 2 | 2 | 3 | 835 | 1820 | 23 | 313924A | 538522 | 4R2904 | 145RV2201 | 313924 |
FC2946156 | 145 | 230 | 156 | 169 | 2 | 2 | 2 | 886 | 1827 | 24.7 | |||||
FC3042120 | 150 | 210 | 120 | 166 | 2 | 2 | 2 | 687 | 1080 | 12.5 | |||||
FC3042150 | 150 | 210 | 150 | 165 | 2 | 2 | 1 | 870 | 1780 | 15.9 | 30FC21150 | ||||
FC3044120 | 150 | 220 | 120 | 167 | 2 | 2 | 2 | 702 | 1193 | 15.5 | |||||
FC3044150 | 150 | 220 | 150 | 168 | 2 | 2 | 1 | 900 | 1700 | 19.3 | 4R3031 | 150RGV2201 | 30FC22150A | ||
FC3045120 | 150 | 225 | 120 | 169 | 2 | 2 | 2 | 702 | 1408 | 16.2 | |||||
FC3045136 | 150 | 225 | 135 | 169 | 2 | 2 | 1 | 820 | 1460 | 19 | 150RV2204 | ||||
FC3046130 | 150 | 230 | 130 | 174 | 2 | 2 | 1 | 845 | 1520 | 19.7 | 4R3029 | 150RV2301 | 30FC23130-1 | ||
FC3046150 | 150 | 230 | 150 | 177 | 2 | 2 | 2 | 950 | 1790 | 22.8 | |||||
FC3046156 | 150 | 230 | 156 | 174 | 2 | 2 | 3 | 965 | 1810 | 24 | 313891A | 506962 | 4R3040 | 150RV2302 | 313891-1 |
FC3046168 | 150 | 230 | 168 | 178 | 2 | 2 | 1 | 845 | 1950 | 25.8 | 4R3042 | ||||
FC3050150 | 150 | 250 | 150 | 177 | 2.5 | 2.5 | 1 | 885 | 1640 | 29.6 | 4R3039 | ||||
FC3244180 | 160 | 220 | 180 | 177 | 2.1 | 2.1 | 2 | 940 | 2560 | 2.2 | 4R3224 | 32FC22180 | |||
FC3245120 | 160 | 225 | 120 | 177 | 2.1 | 2.1 | 2 | 639 | 1340 | 14.9 | |||||
FC3246130 | 160 | 230 | 130 | 180 | 2.1 | 2.1 | 3 | 781 | 1340 | 17 | 314190 | 502894A | 4R3226 | 314190 | |
FC3246130A | 160 | 230 | 130 | 178 | 2.1 | 2.1 | 1 | 781 | 1320 | 17.7 | 160RV2301 | 32FC23130 | |||
FC3246168 | 160 | 230 | 168 | 179 | 2.1 | 2.1 | 3 | 1040 | 2170 | 23.5 | 315189A | 510150 | 4R3232 | ||
FC3246168A | 160 | 230 | 168 | 180 | 2.1 | 2.1 | 1 | 1040 | 21700 | 23.5 | 4R3229 | 160RV2302 | 32FC23170A | ||
FC3246180 | 160 | 230 | 180 | 178 | 2.1 | 2.1 | 1 | 1080 | 2270 | 24.6 | 160RV2303 | 32FC23180 | |||
FC3248120 | 160 | 240 | 120 | 183 | 2.1 | 2.1 | 1 | 745 | 1320 | 18.6 | 160RV2401 | 32FC24120W | |||
FC3248124 | 160 | 240 | 124 | 183 | 2.1 | 2.1 | 2 | 750 | 1360 | 19.6 | |||||
FC3248145 | 160 | 240 | 145 | 180 | 2.1 | 2.1 | 1 | 920 | 1600 | 23 | 160RV2403 | ||||
FC3248168 | 160 | 240 | 168 | 183 | 2.1 | 2.1 | 2 | 1042 | 2310 | 26.7 | |||||
FC3248170 | 160 | 240 | 170 | 183 | 2.1 | 2.1 | 1 | 1080 | 2050 | 27.8 | 4R3225 | 160RV2402 | 32FC24170 | ||
FC3446120 | 170 | 230 | 120 | 187 | 2.1 | 2.1 | 1 | 750 | 1580 | 14.3 | 4R3426 | 170RV2301 | 34FC23120 | ||
FC3446130 | 170 | 230 | 130 | 188.5 | 2.1 | 2.1 | 1 | 780 | 1680 | 15.6 | 313673 | 508370 | |||
FC3446160 | 170 | 230 | 160 | 188.5 | 2.1 | 2.1 | 1 | 940 | 2320 | 18.9 | 567622 | ||||
FC3446180 | 170 | 230 | 180 | 186 | 2.1 | 2.1 | 2 | 1040 | 2690 | 24.5 | |||||
FC3448130 | 170 | 240 | 130 | 190 | 2.1 | 2.1 | 3 | 920 | 1830 | 18.7 | BC4B635122 | ||||
FC3448156 | 170 | 240 | 156 | 189 | 2.1 | 2.1 | 2 | 983 | 2070 | 22.2 | 4R3429 | 34FC24156 | |||
FC3448160 | 170 | 240 | 160 | 190 | 2.1 | 2.1 | 1 | 1000 | 2130 | 23 | 4R3423 | 170RV2402 | |||
FC3450150 | 170 | 250 | 150 | 192 | 2.1 | 2.1 | 2 | 980 | 2016 | 25 | |||||
FC3450168 | 170 | 250 | 168 | 192 | 2.1 | 2.1 | 1 | 1020 | 2320 | 28 | 170RV2501 | 34FC25168 | |||
FC3450170 | 170 | 250 | 170 | 192 | 2.1 | 2.1 | 1 | 1180 | 2320 | 28.6 | 170RV2502 | 34FC25170 | |||
FC3451180 | 170 | 255 | 180 | 193 | 2.1 | 2.1 | 1 | 1300 | 2500 | 30.5 | 4R3425 | 170RV2503 | |||
FC3452120 | 170 | 260 | 120 | 195 | 2.1 | 2.1 | 2 | 860 | 1752 | 23 | |||||
FC3452150 | 170 | 260 | 150 | 195 | 2.1 | 2.1 | 1 | 1030 | 1840 | 28.8 | 170RV2602 | 34FC26150 | |||
FC3452170 | 170 | 260 | 170 | 195 | 2.1 | 2.1 | 2 | 1035 | 2096 | 32.7 | |||||
FC3452192 | 170 | 260 | 192 | 195 | 2.1 | 2.1 | 2 | 1090 | 2240 | 36.9 | |||||
FC3452225 | 170 | 260 | 225 | 196 | 2.1 | 2.1 | 2 | 1650 | 3360 | 43.6 | 313587B | 505470 | 4R3431 | ||
FC3650120 | 180 | 250 | 120 | 200 | 2.1 | 2.1 | 2 | 610 | 1578 | 18 | |||||
FC3650130 | 180 | 250 | 130 | 200 | 2.1 | 2.1 | 2 | 716 | 1922 | 19.5 | |||||
FC3650156 | 180 | 250 | 156 | 200 | 2.1 | 2.1 | 1 | 880 | 2230 | 23.4 | 4R3625 | 180RV2501 | 36FC25156A | ||
FC3650156A | 180 | 250 | 156 | 198 | 2.1 | 2.1 | 1 | 880 | 2230 | 23.4 | |||||
FC3650168 | 180 | 250 | 168 | 202 | 2.1 | 2.1 | 1 | 885 | 2470 | 25.6 | 4R3639 | ||||
FC3652120 | 180 | 260 | 120 | 202 | 2.1 | 2.1 | 2 | 735 | 1577 | 21 | |||||
FC3652124 | 180 | 260 | 124 | 202 | 2.1 | 2.1 | 2 | 735 | 1577 | 21.7 | |||||
FC3652156 | 180 | 260 | 156 | 198 | 2.1 | 2.1 | 2 | 835 | 2200 | 27.3 | |||||
FC3652160 | 180 | 260 | 160 | 202 | 2.1 | 2.1 | 2 | 880 | 2230 | 28.4 | |||||
FC3652168 | 180 | 260 | 168 | 202 | 2.1 | 2.1 | 3 | 990 | 2300 | 29.5 | 313812 | 507536 | 4R3628 | 180RV2601 | 313812W |
FC3653180 | 180 | 265 | 180 | 204 | 2.1 | 2.1 | 1 | 1040 | 2649 | 33.8 | 4R3618 | 180RV2602 | |||
FC3653180A | 180 | 265 | 180 | 203 | 2.1 | 2.1 | 1 | 1180 | 2395 | 33.7 | 180RV2603 | 36FC27180 | |||
FC3656180 | 180 | 280 | 180 | 206 | 2.1 | 2.1 | 1 | 1287 | 2995 | 41 | 524372 | ||||
FC3656180A | 180 | 280 | 180 | 207 | 2.1 | 2.1 | 2 | 1287 | 2995 | 41.4 | |||||
FC3656200 | 180 | 280 | 200 | 205 | 2.1 | 2.1 | 1 | 1620 | 2990 | 45.7 | 36FC28200 | ||||
FC3852168 | 190 | 260 | 168 | 212 | 2.1 | 2.1 | 3 | 1140 | 2600 | 27 | 313651 | 507735 | 4R3820 | 190RV2601 | 38FC26186-1 |
FC3852168A | 190 | 260 | 168 | 208 | 2.1 | 2.1 | 2 | 1140 | 2520 | 24.9 | |||||
FC3853124 | 190 | 265 | 124 | 213 | 2.1 | 2.1 | 2 | 819 | 1921 | 21 | |||||
FC3854166 | 190 | 270 | 166 | 212 | 2.1 | 2.1 | 2 | 1034 | 2460 | 30.4 | |||||
FC3854168 | 190 | 270 | 168 | 212 | 2.1 | 2.1 | 2 | 1034 | 2460 | 30.8 | |||||
FC3854170 | 190 | 270 | 170 | 213 | 2.1 | 2.1 | 1 | 1240 | 2910 | 31.7 | 4R3818 | 190RV2720 | 38FC27170A | ||
FC3854200 | 190 | 270 | 200 | 212 | 2.1 | 2.1 | 3 | 1510 | 3310 | 37.5 | 314199B | 508657 | 4R3821 | 190RV2701 | 314199 |
FC3856200 | 190 | 280 | 200 | 214 | 2.1 | 2.1 | 3 | 1720 | 3370 | 42 | 314049A | 510199 | 4R3823 | 190RV281 | |
FC4050200 | 200 | 250 | 200 | 215 | 2 | 2 | 2 | 886 | 2360 | 23.2 | 200RV2521 | ||||
FC4053180 | 200 | 265 | 180 | 217 | 2 | 2 | 1 | 1200 | 2790 | 26.9 | 40FC27180 | ||||
FC4054120 | 200 | 270 | 120 | 222 | 2.1 | 2.1 | 2 | 617 | 1630 | 19.6 | |||||
FC4054170 | 200 | 270 | 170 | 222 | 2.1 | 2.1 | 3 | 1170 | 2580 | 28.5 | 314553 | 522742 | 4R4039 | ||
FC4056152 | 200 | 280 | 152 | 222 | 2.1 | 2.1 | 2 | 1000 | 2320 | 29.5 | 4R4054 | 314553 | |||
FC4056170 | 200 | 280 | 170 | 222 | 2.1 | 2.1 | 3 | 1120 | 2300 | 33.5 | 314385 | 507344 | 4R4048 | 40FC28152BW | |
FC4056170A | 200 | 280 | 170 | 223 | 2.1 | 2.1 | 1 | 1120 | 2300 | 33.2 | 549864 | 200RV2804 | 40FC28170 | ||
FC4056188 | 200 | 280 | 188 | 222 | 2.1 | 2.1 | 2 | 1210 | 2720 | 36 | 40FC28188 | ||||
FC4056190 | 200 | 280 | 190 | 223 | 2.1 | 2.1 | 1 | 1350 | 3050 | 37.1 | 4R4024 | 200RV2803 | 40FC28190A | ||
FC4056200 | 200 | 280 | 200 | 222 | 2.1 | 2.1 | 3 | 1410 | 3200 | 39 | 313893 | 508726 | 4R4037 | 200RV2802 | 313893-1 |
FC4056200A | 200 | 280 | 200 | 224 | 2.1 | 2.1 | 1 | 1410 | 3200 | 39.4 | 4R4027 | 200RV2801 | 40FC28200 | ||
FC4058130 | 200 | 290 | 130 | 226 | 2.1 | 2.1 | 2 | 945 | 1916 | 38.5 | |||||
FC4058192 | 200 | 290 | 192 | 226 | 2.1 | 2.1 | 3 | 1410 | 2980 | 42.8 | 313811 | 512580 | 4R4041 | 200RV2901 | 313811 |
FC4058202 | 200 | 290 | 202 | 226 | 2.1 | 2.1 | 2 | 1540 | 3110 | 43.4 | |||||
FC4062130 | 200 | 310 | 130 | 229 | 2.1 | 2.1 | 2 | 1113 | 2254 | 36.3 | |||||
FC4062200 | 200 | 310 | 200 | 229 | 2.1 | 2.1 | 1 | 1670 | 3625 | 55.8 | 524373 | ||||
FC4064216 | 200 | 320 | 216 | 231 | 3 | 3 | 1 | 2120 | 3900 | 69.9 | 4R4028 | 200RV3231 | |||
FC4258192 | 210 | 290 | 192 | 234 | 2.1 | 2.1 | 2 | 1400 | 3240 | 38.2 | |||||
FC4258192A | 210 | 290 | 192 | 236 | 2.1 | 2.1 | 3 | 1400 | 3300 | 41 | 313646 | 507628 | 4R4206 | 210RV2901 | 42FC29192 |
FC4260170 | 210 | 300 | 170 | 234 | 2.1 | 2.1 | 2 | 1320 | 2900 | 38.8 | |||||
FC4260210 | 210 | 300 | 210 | 234 | 2.1 | 2.1 | 2 | 1510 | 3700 | 47.9 | 42FC30210 | ||||
FC4458192 | 220 | 290 | 192 | 239 | 2.1 | 2.1 | 1 | 1190 | 3350 | 33.8 | 4R4413 | ||||
FC4460160 | 220 | 300 | 160 | 245 | 2.1 | 2.1 | 1 | 1050 | 2600 | 32.8 | 4R4419 | ||||
FC4460190 | 220 | 300 | 190 | 240 | 2.1 | 2.1 | 2 | 1220 | 3320 | 39.3 | |||||
FC4460192 | 220 | 300 | 192 | 242 | 2.1 | 2.1 | 2 | 1220 | 3320 | 39.7 | |||||
FC4462190 | 220 | 310 | 190 | 246 | 2.1 | 2.1 | 2 | 1320 | 3450 | 45 | |||||
FC4462192 | 220 | 310 | 192 | 246 | 2.1 | 2.1 | 3 | 1540 | 3450 | 46 | 313239 | 507333 | 4R4426 | 313837A | |
FC4462192A | 220 | 310 | 192 | 247 | 2.1 | 2.1 | 1 | 1540 | 3450 | 46 | 4R4410 | 220RV3101 | 313837-1 | ||
FC4464160 | 220 | 320 | 160 | 245 | 2.1 | 2.1 | 1 | 1200 | 2600 | 46.5 | 4R4428 | ||||
FC4464192 | 220 | 320 | 192 | 246 | 2.1 | 2.1 | 2 | 1600 | 3450 | 51.5 | |||||
FC4468180 | 220 | 340 | 180 | 256 | 3 | 3 | 1 | 1500 | 2750 | 59 | 44FC34180A | ||||
FC4468192 | 220 | 340 | 192 | 246 | 2.1 | 2.1 | 2 | 1820 | 3600 | 64.2 | |||||
FC4666206 | 230 | 330 | 206 | 260 | 2.1 | 2.1 | 3 | 1620 | 3690 | 58 | 313824 | 508727 | 4R4610 | 230RV3301 | 313824 |
FC4666206A | 230 | 330 | 206 | 258 | 2.1 | 2.1 | 1 | 1640 | 3720 | 58.6 | 4R4614 | ||||
FC4668260 | 230 | 340 | 260 | 261 | 2.1 | 2.1 | 1 | 2100 | 4590 | 81 | 4R4611 | 230RV3401 | 46FC34260 | ||
FC4866180 | 240 | 330 | 180 | 265 | 2.1 | 2.1 | 12 | 1460 | 3490 | 49.5 | 635194 | 504547 | |||
FC4866220 | 240 | 330 | 220 | 264 | 2.1 | 2.1 | 1 | 1540 | 3850 | 56.4 | 4R4819 | 48FC33220 | |||
FC4866220A | 240 | 330 | 220 | 270 | 2.1 | 2.1 | 3 | 1500 | 3700 | 58 | 313921 | 508368 | 4R4811 | 240RV3301 | 312943/1YD |
FC4868192 | 240 | 340 | 192 | 268 | 2.1 | 2.1 | 2 | 1474 | 3230 | 55.4 | |||||
FC4868220 | 240 | 340 | 220 | 268 | 3 | 3 | 1 | 1670 | 3530 | 71 | 513703 | 240RV3403 | 48FC34220 | ||
FC4870220 | 240 | 350 | 220 | 270 | 3 | 3 | 2 | 1780 | 3870 | 71 | |||||
FC4872218 | 240 | 360 | 218 | 270 | 3 | 3 | 1 | 2130 | 4060 | 76.8 | 48FC36218 | ||||
FC4872220 | 240 | 360 | 220 | 272 | 3 | 3 | 1 | 1920 | 3920 | 78.8 | 240RV3601 | ||||
FC4872220A | 240 | 360 | 220 | 274 | 3 | 3 | 2 | 1860 | 3900 | 79.6 | |||||
FC496230 | 370 | 480 | 230 | 400 | 4 | 4 | 1 | 2100 | 6250 | 106 | 4R7405 | ||||
FC5065220 | 250 | 340 | 220 | 274 | 3 | 3 | 2 | 1330 | 3120 | 52.8 | |||||
FC5068170 | 250 | 340 | 170 | 274 | 3 | 3 | 2 | 1390 | 3500 | 45 | |||||
FC5070220 | 250 | 350 | 220 | 278 | 3 | 3 | 1 | 1730 | 3990 | 65 | 4R5008 | 250RV3501 | 50FC35220 | ||
FC5070220A | 250 | 350 | 220 | 274 | 3 | 3 | 4 | 1670 | 3640 | 58 | |||||
FC5072220 | 250 | 360 | 220 | 282 | 3 | 3 | 4 | 1810 | 4240 | 73 | |||||
FC5272192 | 260 | 360 | 192 | 288 | 3 | 3 | 2 | 1610 | 3660 | 60 | 52FC36192W | ||||
FC5272200 | 260 | 360 | 200 | 287 | 3 | 3 | 1 | 1880 | 4110 | 62 | 52FC36192W | ||||
FC5272230 | 260 | 360 | 230 | 292 | 3 | 3 | 1 | 1980 | 4200 | 73.5 | BC4B320956 | 533880 | |||
FC5274192 | 260 | 370 | 192 | 291 | 3 | 3 | 2 | 1670 | 4010 | 66 | |||||
FC5274200 | 260 | 370 | 200 | 292 | 3 | 3 | 2 | 1770 | 4120 | 68.9 | |||||
FC5274220 | 260 | 370 | 220 | 292 | 3 | 3 | 3 | 1950 | 4140 | 76.5 | 313823 | 507336 | 4R5208 | 260RV3701 | 313823 |
FC5274230 | 260 | 370 | 230 | 292 | 3 | 3 | 2 | 2020 | 4450 | 79.3 | |||||
FC5276220 | 260 | 380 | 220 | 292 | 3 | 3 | 2 | 2100 | 4900 | 85 | |||||
FC5276280 | 260 | 380 | 280 | 294 | 3 | 3 | 1 | 2420 | 5940 | 108 | 4R5213 | 260RV3801 | 52FC38280 | ||
FC5280300 | 260 | 400 | 300 | 295 | 5 | 5 | 1 | 3900 | 7600 | 145 | 526803 | ||||
FC5374234 | 265 | 370 | 234 | 300 | 3 | 3 | 1 | 2240 | 5400 | 80 | 313922 | 517423 | 53FC37234 | ||
FC5476230 | 270 | 380 | 230 | 298 | 2.1 | 2.1 | 1 | 2000 | 5050 | 81.8 | 270RV3801 | 54FC38230 | |||
FC5476280 | 270 | 380 | 280 | 297 | 2.5 | 2.5 | 6 | 2260 | 5750 | 101 | 4R5407 | ||||
FC5478220 | 270 | 390 | 220 | 306 | 3 | 3 | 4 | 1800 | 4800 | 86.7 | |||||
FC5478220A | 270 | 390 | 220 | 302 | 3 | 3 | 4 | 1800 | 4800 | 85.8 | 54FC39220 | ||||
FC5670208 | 280 | 350 | 208 | 298 | 2.5 | 2.5 | 1 | 1290 | 3950 | 46.4 | 4R5614 | ||||
FC5675200 | 280 | 375 | 200 | 307 | 3 | 3 | 2 | 1500 | 4310 | 63.5 | |||||
FC5676170 | 280 | 380 | 170 | 306 | 3 | 3 | 3 | 1410 | 3590 | 55 | 56FC38170W | ||||
FC5676170A | 280 | 380 | 192 | 308 | 3 | 3 | 2 | 1560 | 4580 | 64.8 | |||||
FC5676192 | 280 | 380 | 192 | 310 | 3 | 3 | 2 | 1560 | 4580 | 64.8 | |||||
FC5678220 | 280 | 390 | 220 | 312 | 3 | 3 | 3 | 2020 | 4400 | 81.54 | 313822 | 507339 | 4R5611 | 280RV3901 | 313822 |
FC5678240 | 280 | 390 | 240 | 312 | 3 | 3 | 1 | 2240 | 5230 | 89.4 | 280RV3902 | ||||
FC5678275 | 280 | 390 | 275 | 312 | 3 | 3 | 1 | 2260 | 6940 | 105 | 513729A | 4R5612 | 56FC38275 | ||
FC5684280A | 280 | 420 | 280 | 323 | 4 | 4 | 1 | 2945 | 7212 | 137 | 4R5605 | ||||
FC5684290/YA3 | 280 | 420 | 290 | 315 | 5 | 5 | 1 | 3900 | 9780 | 140 | 517797 | ||||
FC5878234 | 290 | 390 | 234 | 320 | 4 | 4 | 1 | 2150 | 5320 | 82.2 | 290RV3901 | 58FC39234 | |||
FC5880180 | 290 | 400 | 180 | 320 | 4 | 4 | 1 | 2070 | 5120 | 67.5 | 58FC40180W | ||||
FC5882240 | 290 | 410 | 240 | 320 | 4 | 4 | 1 | 2440 | 5180 | 101 | 4R5806 | 290RV4101 | 58FC41240 | ||
FC5884300 | 290 | 420 | 300 | 327 | 4 | 4 | 1 | 3130 | 7130 | 141 | 4R5805 | 290RV4201 | 58FC42300 | ||
FC5888310 | 290 | 440 | 310 | 328 | 4 | 4 | 1 | 4130 | 9210 | 171 | 517796 | ||||
FC6084218 | 300 | 420 | 218 | 332 | 4 | 4 | 3 | 2014 | 4950 | 94 | |||||
FC6084240 | 300 | 420 | 240 | 332 | 4 | 4 | 3 | 2540 | 5460 | 111 | 4R6027 | 300RV4201 | 60FC422240 | ||
FC6084240A | 300 | 420 | 240 | 334 | 4 | 4 | 1 | 2540 | 5460 | 114 | 4R6012 | ||||
FC6084240A | 300 | 420 | 240 | 336 | 4 | 4 | 1 | 2010 | 5450 | 105 | 4R6023 | ||||
FC6084300 | 300 | 420 | 300 | 334 | 4 | 4 | 1 | 2900 | 7850 | 130 | 4R6015 | ||||
FC6086240 | 300 | 430 | 240 | 338 | 4 | 4 | 1 | 2720 | 5950 | 115 | 60FC43240 | ||||
FC6092270 | 300 | 460 | 270 | 344 | 4 | 4 | 1 | 2670 | 5800 | 162 | 4R6019 | ||||
FC6284300 | 310 | 420 | 300 | 338 | 4 | 4 | 1 | 3130 | 7650 | 121 | 310RV4201 | 62FC42300 | |||
FC6286240 | 310 | 430 | 240 | 344.5 | 4 | 4 | 1 | 2480 | 5650 | 109 | 4R6202 | 310RV4301 | 62FC43240 | ||
FC6490240 | 320 | 450 | 240 | 358 | 4 | 4 | 1 | 2620 | 5840 | 121 | 4R6411 | 320RV4501 | 4CR320 | ||
FC6490240A | 320 | 450 | 240 | 355 | 4 | 4 | 1 | 2600 | 5750 | 116 | 320RV4502 | 64FC45240 | |||
FC6492340 | 320 | 460 | 340 | 360 | 4 | 4 | 3 | 3350 | 8950 | 178 | 4R5412 | 64FC46340A | |||
FC6686230 | 330 | 430 | 230 | 358 | 4 | 4 | 1 | 2220 | 5560 | 89.6 | 330RV4301 | ||||
FC6688200 | 330 | 440 | 200 | 360 | 4 | 4 | 2 | 2050 | 4510 | 85 | 4R6603 | 330RV4401 | 66FC44200W | ||
FC6890250 | 340 | 450 | 250 | 371 | 4 | 4 | 1 | 2580 | 6400 | 111 | 340RV4502 | 68FC45250BW | |||
FC6890250A | 340 | 450 | 250 | 368 | 4 | 4 | 2 | 2580 | 6410 | 111 | |||||
FC6896280 | 340 | 480 | 280 | 374 | 4 | 4 | 2 | 3120 | 8120 | 160 | |||||
FC6896300 | 340 | 490 | 300 | 377 | 4 | 4 | 1 | 3350 | 8300 | 187 | 4R6804 | ||||
FC6896300A | 340 | 490 | 300 | 380 | 4 | 4 | 1 | 3500 | 7600 | 187 | 68FC49300 | ||||
FC72102370 | 360 | 510 | 370 | 400 | 4 | 4 | 1 | 4250 | 9600 | 241 | 4R7212 | 360RV5101 | 72FC51370 | ||
FC72102400 | 360 | 510 | 400 | 397 | 4 | 4 | 2 | 4500 | 11500 | 260 | 4R7203 | ||||
FC7296290 | 360 | 480 | 290 | 392 | 4 | 4 | 1 | 3470 | 8510 | 145 | 72FC48290 | ||||
FC7296290A | 360 | 480 | 290 | 394 | 4 | 4 | 1 | 3080 | 7470 | 149 | 360RV4801 | ||||
FC74108400 | 370 | 540 | 400 | 415 | 4 | 4 | 1 | 4990 | 11400 | 320 | 370RV5401 | 74FC54400A | |||
FC7496250 | 370 | 480 | 250 | 385 | 3 | 3 | 2 | 2820 | 7320 | 115 | 72FC48250W | ||||
FC7496250 | 370 | 480 | 250 | 401 | 4 | 4 | 1 | 2690 | 6980 | 120 | 4R7408 | 370RV4801 | |||
FC76100290 | 380 | 500 | 290 | 414 | 4 | 4 | 1 | 3010 | 7920 | 153 | 380RV5001 | ||||
FC76104280 | 380 | 520 | 280 | 417 | 4 | 4 | 1 | 3280 | 7600 | 174 | 4R7605 | 380RV5202 | 76FC52280 | ||
FC76104290 | 380 | 520 | 290 | 418 | 4 | 4 | 1 | 3380 | 7970 | 181 | 576360 | 380RV5201 | 76FC52290 | ||
FC76108400 | 380 | 540 | 400 | 424 | 5 | 5 | 2 | 4790 | 11400 | 288 | 4R7613 | 380RV5401 | 76FC54400CW | ||
FC76112325B | 380 | 560 | 325 | 428 | 4 | 4 | 1 | 4970 | 10600 | 265 | BC4B322264/HB1 | ||||
FC78102290 | 390 | 510 | 290 | 424 | 4 | 4 | 1 | 3230 | 8550 | 156 | 390RV5101 | ||||
FC80104250 | 400 | 520 | 250 | 432 | 5 | 5 | 2 | 3000 | 7700 | 140 | 400RV5202 | 80FC52250W | |||
FC80108420 | 400 | 590 | 420 | 450 | 5 | 5 | 1 | 5150 | 1300 | 399 | 4R8011 | ||||
FC80110300 | 400 | 550 | 300 | 441 | 5 | 5 | 1 | 3940 | 9260 | 216 | 400RV5501 | ||||
FC84112280 | 420 | 560 | 280 | 457 | 5 | 5 | 1 | 3800 | 9250 | 196 | 4R8403 | 420RV5601 | 84FC56280 | ||
FC84116230 | 420 | 580 | 230 | 466 | 4 | 4 | 1 | 2430 | 6250 | 181 | 4R8408 | ||||
FC84124400 | 420 | 620 | 400 | 478 | 5 | 5 | 1 | 500 | 13400 | 410 | 4R8401 | ||||
FC88118270 | 440 | 590 | 270 | 482 | 5 | 5 | 3 | 3620 | 8460 | 207 | 88FC59270W | ||||
FC92124400 | 460 | 620 | 400 | 506 | 5 | 5 | 1 | 5500 | 14700 | 352 | 460RV6201 | ||||
FC96120236 | 480 | 600 | 236 | 510 | 3 | 3 | 1 | 2620 | 7850 | 155 | 4R9610 | ||||
Éves munkatapasztalat
Vevőszolgálat
Szabadalmaztatott technológia
A Ningbo DHK Precision Bearing Co., Ltd. (röviden: DHK) egy speciális vállalkozás, amely a csapágyak kutatás-fejlesztésével, gyártásával és értékesítésével foglalkozik, a Ningbo Zhenhai gazdaságfejlesztési zónában található, kényelmes szállítással. A több mint egy évtizedes megalakulás óta mindig a "technológia", a "minőség" és a "szolgáltatás" volt a kezdeti kérdés a fejlődés érdekében. Megbízható termékeket és speciális, testre szabott szolgáltatásokat nyújtunk a nehézipari globális vállalkozások számára, és számos hazai és külföldi vállalkozás elégedettségét és jó hírnevét szereztük meg.
A DHK elsősorban hengergörgős csapágyakat, kúpgörgős csapágyakat, önbeálló görgőscsapágyakat, golyóscsapágyakat, valamint különféle nem szabványos csapágyakat és speciálisan kezelt felületű csapágyakat gyárt. Eddig a DHK csapágyait széles körben alkalmazták olyan területeken, mint a mérnöki gépek, ipari szivattyúk, szerszámgépek, kompressziós motorok, hajtóművek, szélenergia és kohászat a fejlett európai és amerikai országokban.
A DHK rendelkezik a csapágyak mérőhelyiségével és ellenőrző helyiségével az iparágban, és csúcsminőségű ellenőrző berendezéseket vezetett be világszerte, és létrehozta a minőségellenőrzési rendszert Kínában, így garantálva a termék minőségét minden tekintetben.
2024-12-02 Ipari hírek
2024-11-25 Ipari hírek
2024-11-18 Ipari hírek
2024-11-11 Ipari hírek
2024-11-04 Ipari hírek
2024-10-28 Ipari hírek
Lépjen kapcsolatba velünk, és kérjen elsőbbségi árajánlatot új termékünk megismeréséhez!








